Жаяу жүргіншілер бағанасы
Толығырақ оқыңыз
Өнімге кіріспе:
Күн энергиясымен жұмыс істейтін сары жыпылықтайтын шам - бұл жол қиылыстары, бұрылыстар, көпірлер және жолдардың апатқа бейім бөліктері үшін арнайы жасалған жол қозғалысы туралы ескерту құрылғысы. Ол тиімді күн энергиясымен жұмыс істейтін жүйені біріктіреді, бұл сыртқы электр қосылымдарының қажеттілігін жояды және орнатқаннан кейін бірден орнатуға мүмкіндік береді. Энергия үнемдейтін дизайнымен, жоғары көрінетін ескерту мүмкіндіктерімен және берік сенімділігімен құрылғы барлық ауа райы жағдайында тәулік бойы үздіксіз қауіпсіздік кепілдігін береді.
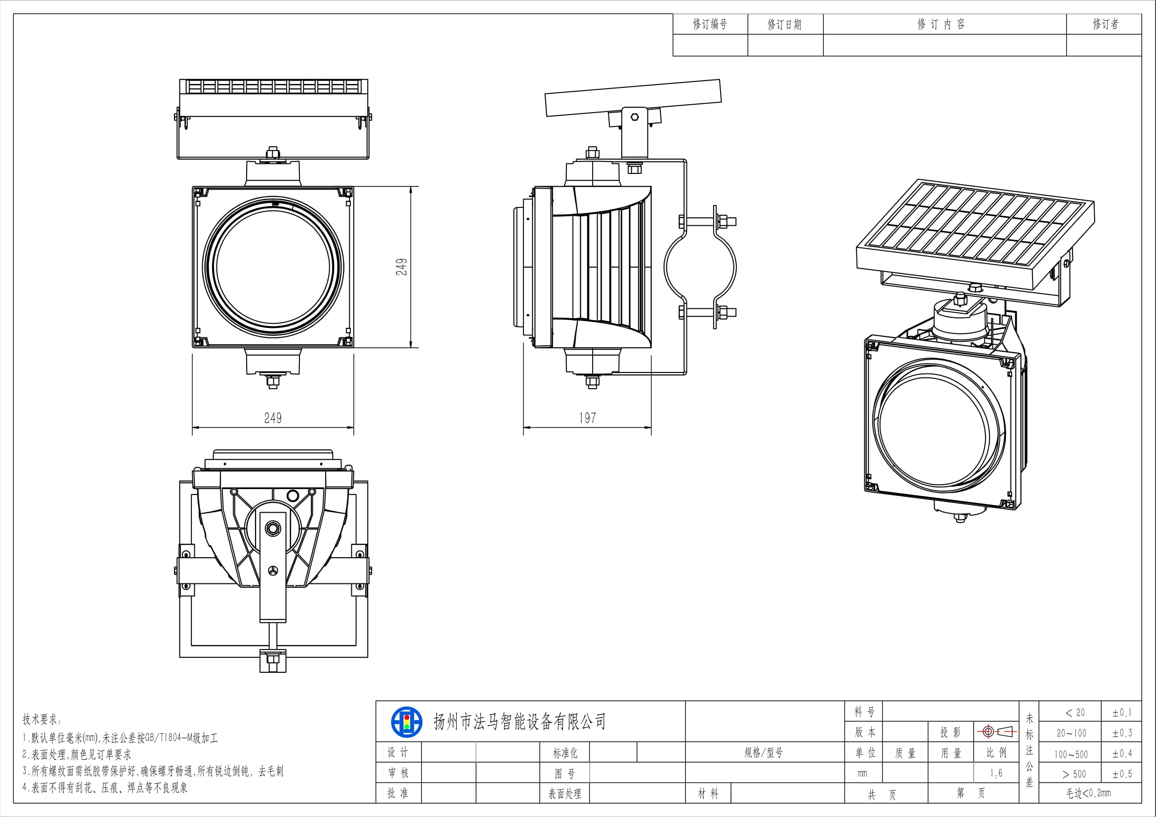
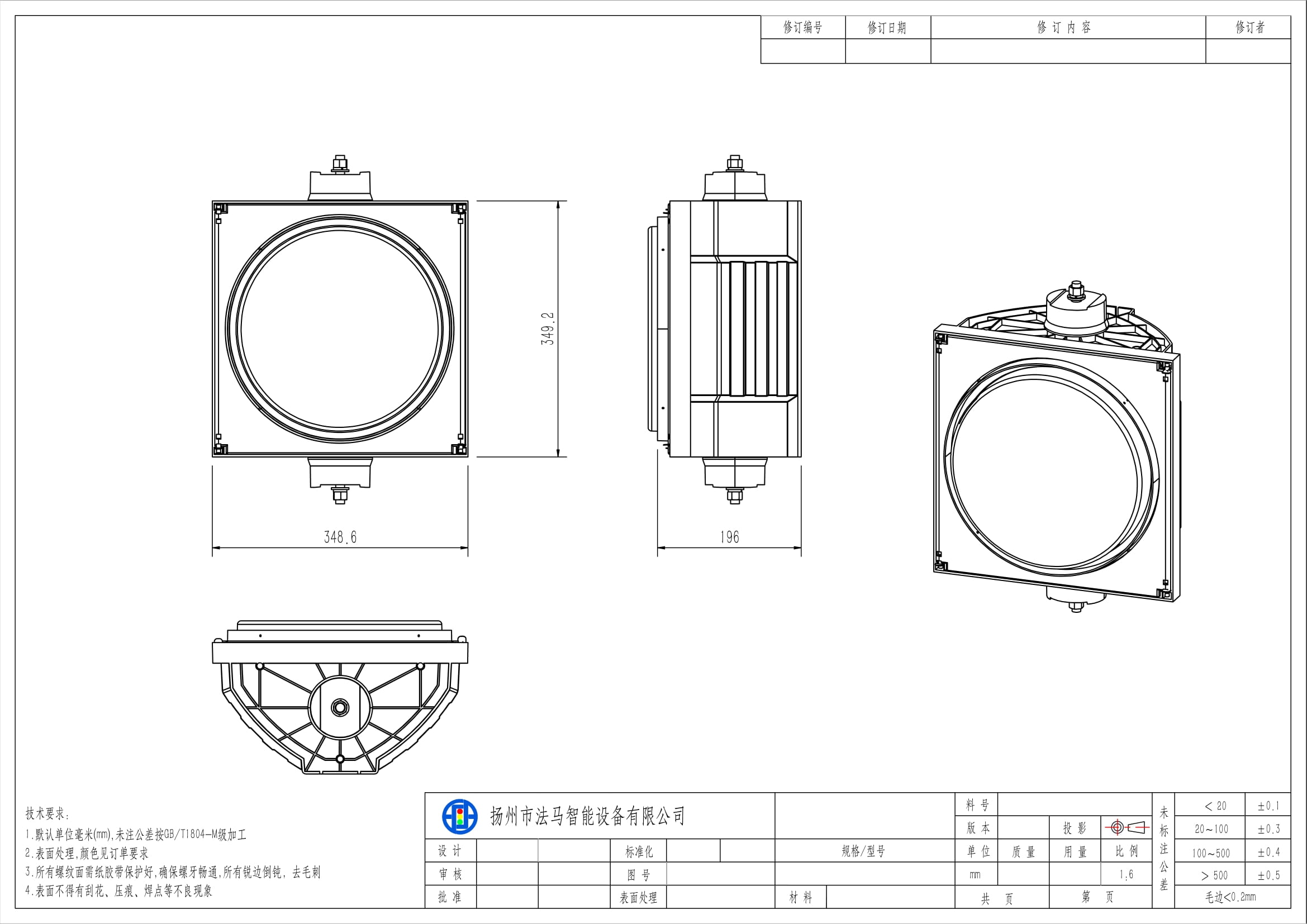
| Өнім моделі | SSG200-3-FM11 | SSG300-3-FM11 | SSG400-3-FM11 |
| Жарық шығаратын беттің (LES) өлшемі | 200 мм | 300 мм | 400 мм |
| Жұмыс кернеуі | Тұрақты ток 12 В | Тұрақты ток 12 В | Тұрақты ток 12 В |
| Корпус материалы | Поликарбонат корпусы | Поликарбонат корпусы | Поликарбонат корпусы |
Күн панелі | □ 8 Вт/16 В | □ 8 Вт/16 В | □ 15 Вт/16 В |
| Сақтау батареясы | □ 3000MAH/12.8V | □ 3000MAH/12.8V | □ 6600MAH/11.1V |
| Жыпылықтау жиілігі | □ Минутына 60 рет | □ Минутына 60 рет | □ Минутына 60 рет |
| Жұмыс режимі | 24 сағаттық жыпылықтау | 24 сағаттық жыпылықтау | 24 сағаттық жыпылықтау |
| Батареяның қызмет ету мерзімі | 5 күн | 5 күн | 5 күн |
| Маска түсі | Мөлдір | Мөлдір | Мөлдір |
| Жарықдиодты шам саны | 60 дана | 99 дана | 168 дана |
| Шамның қуат тұтынуы | Сары толық шар ≤ 2 W | Сары толық шар ≤ 3 W | Сары толық шар ≤ 5 W |
| Жарықдиодты толқын ұзындығы | Сары: 590 ± 5 нм | Сары: 590 ± 5 нм | Сары: 590 ± 5 нм |
| Жарық қарқындылығы | 300cd~1000cd | 300cd~1000cd | 300cd~1000cd |
| Жарықдиодты шамдардың қызмет ету мерзімі | ≥ 100 000 сағат | ≥ 100 000 сағат | ≥ 100 000 сағат |
| Жұмыс температурасы | -40℃ - +80℃ аралығында | -40℃ - +80℃ аралығында | -40℃ - +80℃ аралығында |
| Салыстырмалы ылғалдылық | ≤97% RH | ≤97% RH | ≤97% RH |
| Қорғаныс дәрежесі | IP55 | IP55 | IP55 |
| Көру қашықтығы | ≥300 м | ≥300 м | ≥300 м |
| Қаптама сипаттамалары | Қорапта 1 дана, өлшемі: 41 × 32 × 37 см, салмағы: 6,3±0,5 кг | Қорапта 1 дана, өлшемі: 50 × 41 × 34 см, салмағы: 8,4 ± 0,5 кг | Қорапта 1 дана, өлшемі: 55 × 65 × 29 см, салмағы: 9,1 ± 0,5 кг |


